联系
我们
138-1369-3589
280334653@qq.com
当前位置:首页 > 产品中心 > 干燥设备 > 流态化干燥
  • 锥形螺带真空干燥机客户现场
  • 锥形螺带真空干燥机制作完毕
  • 螺带部件

DZLG系列单锥螺带真空干燥机

所属分类:干燥设备 > 流态化干燥

产品简介:单锥螺带真空干燥机是锥形混合机的衍生,其在原有的单一混合功能上,引入了干燥功能(在原有锥形筒体外部增加加热夹套),可以在对物料进行干燥的同时进行搅拌,实现了一机双能的效果。但在实验和生产中发现,对于热敏性物料,单锥真空干燥机的烘干时间较长,且在干燥过程会出现物料熔融、结块等现象,使得被干燥物料的物理性质和化学性质发生改变,影响后续工艺的顺利进行。

联系我们

产品概述

  单锥真空干燥机时一种搅拌型密闭式真空干燥机。它通过一个夹套加热的单锥真空密闭罐由搅拌浆不断翻动物料,使物料均匀受热,水份或溶剂得到蒸发,达到物料干燥的目的。该设备采用单锥型罐体设计,卫生级不锈钢制造,结构简单,操作方便。属批次型间隙干燥操作,清洗无死角,是一种符合GMP要求的精烘包车间理想的干燥设备,广泛应用于制药、生物、化工、食品等行业得粉体,滤饼、结晶体及液体的浓缩、干燥、蒸发和溶剂回收的操作。

工作原理

  单锥真空干燥机所提供的是一种圆锥形螺带搅拌。整个螺线搅拌浆在自转的同时,螺带将物料不断提升、翻动、刮落,时罐内物料混合均匀,并均匀受热。蒸发的溶剂及水蒸气经过滤器除尘后真空系统进行冷凝回收后排放。

主要设备

  该干燥设备混合和干燥在同一容器内完成,提高了生产效率;采用夹套加热,降低了使用能耗;采用真空干燥形式,保证了传热和传质,特别适应热敏性和溶剂回收的粉粒体物料的干燥;结构简单,容易清洗,出料方便,符合GMP规范;提供多种搅拌形式及设备规格选配,可进行批次生产;也可进行冷却、杀菌、反应等操作。

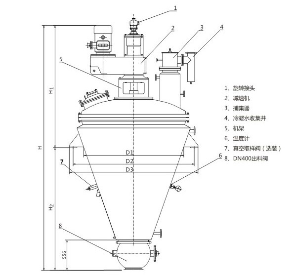
单锥螺带真空干燥机结构图

技术参数

型号\项目 单位 DZLG-500 DZLG-750 DZLG-1000 DZLG-1250 DZLG-1500 DZLG-2000 DZLG-3000 DZLG-4000
有效容积 L 500 750 1000 1250 1500 2000 3000 4000
全容积 L 650 800 1220 1600 1900 2460 3680 4890
加热面积 4.1 5.2 7.2 9.1 10.6 13 19 22
电机功率 KW 11 11 15 15 18.5 22 30 37
设备净重 KG 1350 1850 2300 2600 2900 3600 4100 4450
搅拌转速 rpm 50 45 40 38 36 36 34 32
设备总高 m 3565 3720 4165 4360 4590 4920 5160 5520
容器高度 H3 1455 1610 1965 2160 2300 2590 2380 3160
耳座高度 H4 895 995 1315 1480 1630 1860 1900 2240
锅身内宽 D2 1100 1200 1400 1500 1600 1750 2100 2100
安装耳座宽 D3 1270 1350 1560 1720 1900 2050 2400 2450

应用客户
视频集锦
    暂无记录...
动画演示
相关工程
暂无记录...

在线反馈

相关文章
  • 2024-05-28 10:35:36

    干燥设备的维护是确保其正常运行、延长使用寿命以及保持高效能的关键环节。以下是干燥设备维护的详细步骤和要点:一、日常清洁与除尘* 定期对干燥设备进行外观清洁和内部清理,防止灰尘和污垢的积累影响设备的干燥效果。* 使用软毛刷或吹风机清除设备表面的灰尘,注意不要…

  • 2024-05-06 14:32:36

    干燥设备在使用过程中可能会遇到一些常见故障,以下是这些故障及其相应的解决方法,以清晰、分点的形式呈现:常见故障一:干燥效果不佳原因:物料干燥时间过长或干燥温度过高。设备容量过小,无法应对大量的原材料。风压和风网流量的计算不准确。解决方法:尝试减少干燥时…

  • 2024-04-17 14:26:42

    带式干燥机履带翘起的原因可能包括以下几点:履带松动:当履带松动时,履带与履带轮或齿轮之间的摩擦力会增加,这种增加的摩擦力可能导致履带翘起。履带松动通常会伴随着履带跑偏、磨损等问题,这些问题会进一步加剧履带的翘起现象。履带过紧:如果履带过紧,同样会导致履…

  • 2024-03-21 14:03:36

    喷雾干燥机进风温度升不上去可能是由多种原因导致的。以下是一些可能的原因及解决方法:软管堵塞或弯曲:软管堵塞或弯曲会影响气流流出喷雾干燥机设备,导致空气循环不好,进而影响到干燥效果。需要检查并清洁或调整软管,保证其通畅。物料超载:物料超载会导致机器堵塞,…

  • 2024-02-12 14:08:46

    带式干燥机的维护保养是确保其长期稳定运行和延长使用寿命的关键。以下是详细的维护保养步骤和要点:一、日常保养清洁工作:定期清理设备内外的灰尘和杂物,特别是进出料口、料仓内部以及皮带、输送机、机架工作面等位置,确保设备清洁。使用稀释过的碱性清洗剂进行擦拭,…

  • 2024-01-09 13:48:59

    盘式干燥机在处理能力方面表现良好,具有以下几个特点:高效节能:盘式干燥机以采用热传导方式进行干燥,干燥盘的中间部分有轴流式风机进行热交换,以实现湿物料的干燥。这种干燥方式使得盘式干燥机具有较高的热效率,能够有效地节约能源。处理能力出众:盘式干燥机结构紧…

关于我们
公司简介
产品中心
干燥设备 煅烧设备 制粒设备 混合设备 粉碎设备 筛分设备 热源设备 除尘设备 其他设备
新闻资讯
公司新闻 行业新闻
联系我们
13813693589姚经理
邮箱:280334653@qq.com
地址:天宁区郑陆镇三河口工业区
Copyright 2023 天宁区郑陆迪龙干燥设备厂 苏ICP备2024104701号 版权声明 技术支持:江苏东网科技
Top